產品介紹

產品型號:DHT375H
雙向密封高性能蝶閥專利號:ZL2006 20044896.4-ZL2009 20078125.0
蝶閥的國家標準由上海華通閥門有限公司參與制定,標準號:GB/T 12238-2008
閥門用于需要雙向密封、頻繁啟閉、高可靠性要求的管道系統,特別適用于食品、飲料、醫藥、化工等純凈管路和石化、電力、冶金、交通、大型建筑等領域的重要管道,作啟閉或調節介質流量用。
閥門采用高性能復合材料密封副,或者堆焊合金鋼密封副,耐腐蝕、零泄漏、長壽命。獨創的浮動閥座結構確保了閥門的雙向密封,徹底解決了偏心蝶閥只能單向密封的問題。本閥門既有三偏心蝶閥的所有優點,又具有高可靠的雙向密封性能。
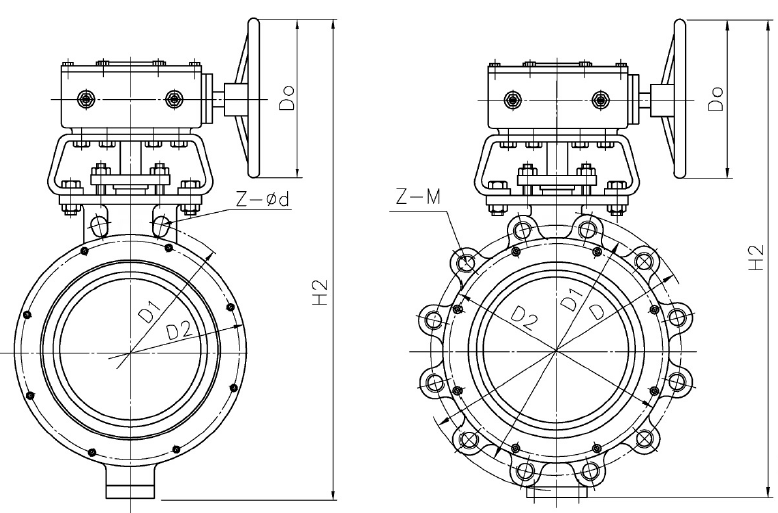
閥門有通用對夾式和凸耳對夾式二種連接方式:有蝸輪手動、電動及氣動三種驅動方式可供用戶選擇。選用電動蝶閥應在合同中詳細注明電動裝置的性能要求;選用氣動蝶閥應在合同中注明所需配件明細,氣動裝置有電磁換向閥、氣源三聯件、信號盒、手動機構、定位器等配件可供選用。
雙向密封高性能蝶閥是上海華通閥門有限公司應用最新浮動閥座理論和新型復合材料,強力開發的新一代高性能蝶閥。閥門技術性能簡介如下:
1、雙向浮動式閥座。通過閥門在鎖定壓力下的彈性變形和相關零部件配合間隙的變化進科學計算,并經過計算機三圍加壓動態模擬,準確給出閥座的雙向浮動數據,保證了閥可靠的雙向密封。
2、利用管道中工作介質能量動態密封。無論工作性質從正向或反響對關閉的閥座施加壓力,閥座均能自動與蝶板密封緊密貼合,并隨蝶板在壓力下的變形量而浮動,保證了閥門的動態密封。密封比壓由管道中工作介質的壓力介質和動態密封這兩大特點是本閥門與各蝶閥的根本區別。
3、高性能復合閥座。浮動式閥座應用材料領域最先進的復合材料成果,由號稱塑料網的聚四氟乙烯和高回彈性能的硅橡膠復合而成。閥座適用于低溫-100℃至200℃的工作溫度,配合不同的閥體材質能適用于水、氣體、油品等常用介質和食品、醫藥等工業的純凈介質,以及化工領域的強腐蝕性介質,是名副其實的高性能。
4、合金堆焊密封面浮動閥座。金屬浮動閥座和蝶板均堆焊合金鋼密封面,組成金屬硬密封副,耐磨損、耐沖蝕、用于軟密封不能勝任的特殊工況。
5、恰到好處的密封比壓。閥門的密封比壓是由介質本身的壓力建立的,密封比壓隨介質壓力而變,換句話說就是介質壓力越高,閥門的密封比壓越高,介質壓力降低,閥門的密封比壓隨之降低。所以閥門無須調整就能自動適應密封試驗與工作時不同的壓力,避免對閥座密封圈的過度壓縮。
、閥門啟閉力矩小,壽命長。高性能符合材料閥座的外層材料是聚四氟乙烯,這是一種良好的自潤滑材料,閥座內部是高回彈性的硅橡膠,形成閥座外表面潤滑,又具有高回彈性的獨特性能,配合適度的密封比壓,從而減小了閥門的啟閉力矩,減輕了閥座密封圈的磨損。在這閥門設計為雙偏心結構,閥門開啟蝶板迅速與閥座密封圈脫離,進一步減小了閥座密封圈的磨損,延長了閥門的使用壽命。
7、每臺雙向密封高性能蝶閥出廠前均進行強度試驗。雙向高壓密封試驗和氣密封試驗,確保閥門雙向零泄漏。本閥門有法蘭式、對夾式、凸耳對夾式等各種連接方式;有渦輪手動、氣動、電動等各種操作方式可供用戶選擇。訂貨時應根據不同的介質工況選擇相應的閥體材質。


雙向密封高性能蝶閥是上海華通閥門有限公司應用最新浮動閥座理論和新型復合材料,強力開發的新一代高性能蝶閥。閥門技術性能簡介如下:
1、雙向浮動式閥座。通過閥門在鎖定壓力下的彈性變形和相關零部件配合間隙的變化進科學計算,并經過計算機三圍加壓動態模擬,準確給出閥座的雙向浮動數據,保證了閥可靠的雙向密封。
2、利用管道中工作介質能量動態密封。無論工作性質從正向或反響對關閉的閥座施加壓力,閥座均能自動與蝶板密封緊密貼合,并隨蝶板在壓力下的變形量而浮動,保證了閥門的動態密封。密封比壓由管道中工作介質的壓力介質和動態密封這兩大特點是本閥門與各蝶閥的根本區別。
3、高性能復合閥座。浮動式閥座應用材料領域最先進的復合材料成果,由號稱塑料網的聚四氟乙烯和高回彈性能的硅橡膠復合而成。閥座適用于低溫-100℃至200℃的工作溫度,配合不同的閥體材質能適用于水、氣體、油品等常用介質和食品、醫藥等工業的純凈介質,以及化工領域的強腐蝕性介質,是名副其實的高性能。
4、合金堆焊密封面浮動閥座。金屬浮動閥座和蝶板均堆焊合金鋼密封面,組成金屬硬密封副,耐磨損、耐沖蝕、用于軟密封不能勝任的特殊工況。
5、恰到好處的密封比壓。閥門的密封比壓是由介質本身的壓力建立的,密封比壓隨介質壓力而變,換句話說就是介質壓力越高,閥門的密封比壓越高,介質壓力降低,閥門的密封比壓隨之降低。所以閥門無須調整就能自動適應密封試驗與工作時不同的壓力,避免對閥座密封圈的過度壓縮。
、閥門啟閉力矩小,壽命長。高性能符合材料閥座的外層材料是聚四氟乙烯,這是一種良好的自潤滑材料,閥座內部是高回彈性的硅橡膠,形成閥座外表面潤滑,又具有高回彈性的獨特性能,配合適度的密封比壓,從而減小了閥門的啟閉力矩,減輕了閥座密封圈的磨損。在這閥門設計為雙偏心結構,閥門開啟蝶板迅速與閥座密封圈脫離,進一步減小了閥座密封圈的磨損,延長了閥門的使用壽命。
7、每臺雙向密封高性能蝶閥出廠前均進行強度試驗。雙向高壓密封試驗和氣密封試驗,確保閥門雙向零泄漏。本閥門有法蘭式、對夾式、凸耳對夾式等各種連接方式;有渦輪手動、氣動、電動等各種操作方式可供用戶選擇。訂貨時應根據不同的介質工況選擇相應的閥體材質。



TEL:

E-mail us
PDF Download
Inquiry





