產品介紹
產品名稱:蝸輪傳動對夾式偏心蝶閥
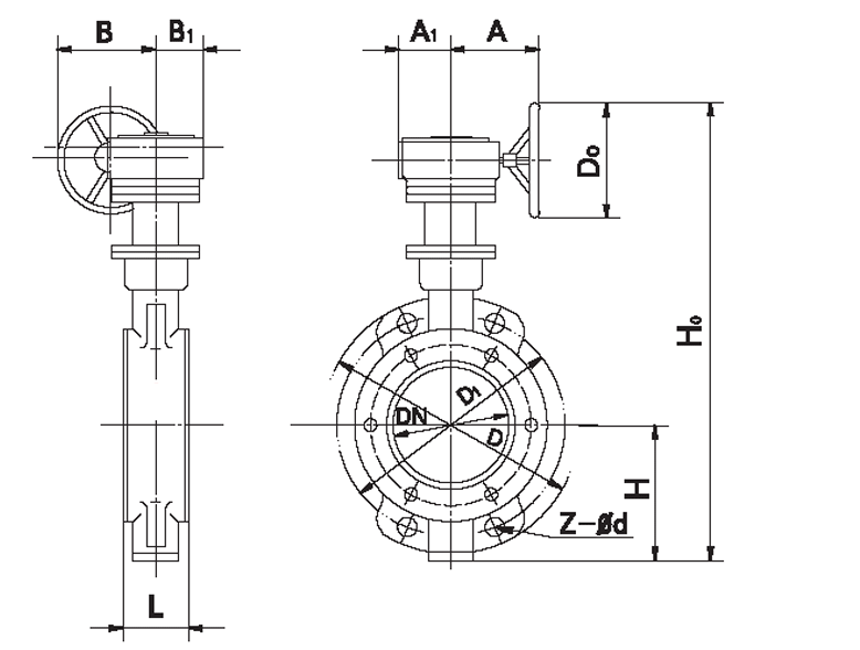
產品型號:DHT373H/X/F 對夾式偏心蝶閥的
主要參數:
1.適用介質: 水、蒸汽、煤氣、天然氣、污水、腐蝕性介質。
2.適用溫度:-40℃-570℃
3.壓力試驗:
1).強度試驗: 1.5
2).密封試驗: 1.1
一、蝸輪傳動對夾式偏心蝶閥的用途: 對夾式硬密封蝶閥采用精密的U形彈性密封圈和三偏心多層次金屬硬密封結構,被廣泛用于介質溫度≤425℃的治金、電力、石油、化工、食品、飲料、醫藥、等純凈管路及工業環保、水處理、高層建筑、以及給排水和市政建設等工業管道上,作調節流量和載斷流體使用。密封面有金屬硬密封、聚內脂、橡膠、聚四氟乙烯密封可選擇。
二、對夾硬密封偏心蝶閥產品特點:
1、對夾式硬密封蝶閥采用三偏心密封結構,閥座與蝶板幾乎無磨損,具有越觀越緊的密封功能
2、密封圈選用不銹鋼制作,具有金屬硬密封和彈性密封的雙重優點,無論在低溫和高溫的情況下,均具有優良的密封性能,具有耐腐蝕,使用壽命長等特點
3、蝶板密封面采用堆焊鈷基硬質合金,密封面耐磨損,使用壽命長
4、大規格蝶板采用絎架結構,強度高,過流面積大,流阻小
5、對夾式硬密封蝶閥具有雙向密封功能,安裝時不受介質流向的限制,也不受空間位置的影響,可在任何方向安裝
6、驅動裝置可以多工位(旋轉90°或180°)安裝,便于用戶使用




TEL:

E-mail us
PDF Download
Inquiry





