產品介紹
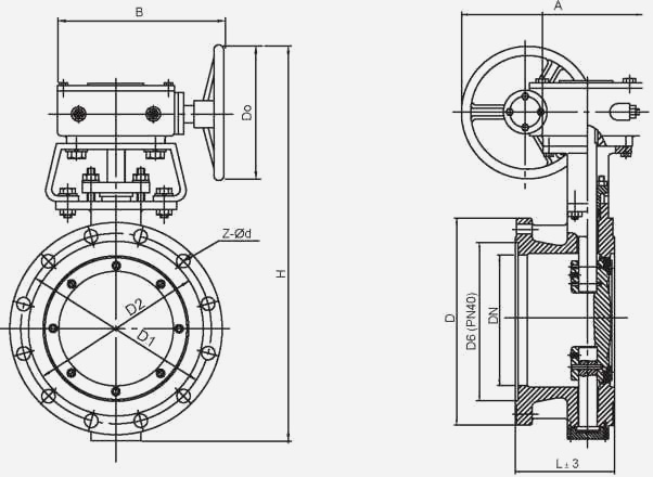
產品名稱及型號:熔融尿素用蝶閥 RND343H-16RL ND343H-25RL
產品特點及用途: 本閥門是為三聚氰胺工藝系統中熔融尿素管路設計的專用閥門。
1.閥門釆用層疊型金屬密結構,密封性能可靠,耐高溫。密封圈外層為硬質合金鋼片,啟閉過程刮除粘附在閥座密封面介質和結晶,保證密封的可靠性。
2.閥門分段軸設計,流線型蝶板,流阻小,流量特性好。
3.閥門可以增設保溫夾套,適用高溫介質對閥門保溫。
主要零部件及材料:
產品采用標準:產品標準按照JB/T 8527
法蘭連接按照HG 20596
壓力試驗按照GB/T 13927
主要性能規范: 公稱尺寸DN200~DN600 公稱壓力PN16~PN25
| 型號 | RND343H-16RL | RND343H-25RL | |
| 公稱壓力 | PN16 | PN25 | |
| 試驗壓力 (MPa) Text Pressure | 殼體強度 | 2.4 | 3.75 |
| 高壓密封 | 1.76 | 2.75 | |
| 適用介質 | 熔融尿素 | ||
| 適用溫度 | ≤180℃ | ||
主要零部件及材料:
| 閥體、蝶板 | 閥桿 | 閥門密封面 | 填料壓蓋 | 填料 |
| CF3M | SS 316L | 體密封面-本體密封 板密封面-層疊SS 316L Disc seal: laminated SS 316L | CF3M | PTFE |

TEL:
E-mail us
PDF Download
Inquiry





